Схемы ЭБУ двигателя автомобиля (Bosch)

9990,00 

Пакет схем ЭБУ двигателя автомобиля содержит около 400 документов включающих в себя схемы для блоков Bosch EDC16, EDC17, EDC15, ME71, ME75, MED7.

Скачать список технической документации и схем ЭБУ

Описание

Электрические схемы ЭБУ автомобиля

Электрические схемы ЭБУ двигателя автомобиля представляют собой сложные каскады, состоящие из центрального микроконтроллера, памяти (FLASH и EEPROM), устройств ввода информации (датчиков) и устройств управления нагрузками (например, лампы, электродвигатели, соленоиды, нагревательные элементы).

Для преобразования аналоговых сигналов датчиков в цифровую форму, пригодную для обработки центральным микроконтроллером, используются аналого-цифровые преобразователи (АЦП).

Управление нагрузками осуществляется через силовые каскады, реализованные с использованием полупроводниковых компонентов (транзисторов) или электромагнитных реле.

Пакет схем для электронного блока управления двигателя

В нашей базе данных представлены схемы ЭБУ, техническа документация и графики с информацией, которая будет интересна специалистам, работаюим с блоками Бош. Оригинальные схемы электропроводки блока управления двигателя Audi, VW, Seat и Skoda — самые ценные документы.

Схемы на английском или немецком языке (одна часть на английском, другая на немецком).

Клиент получает ссылку на скачивание пакета схем ECU и диаграм на свой email после оплаты.

Какие ЭБУ есть в базе со схемами?

База данных включает техническую информацию для следующих типов ЭБУ двигателя авто: DCU17, EDC15V, EDC15VM, EDC15P, EDC15P+, EDC15V, EDC16C4, EDC16CP34, EDC16U, EDC16U31, EDC17C08, EDC17C44, EDC17C46, EDC17C54, EDC17CP04, EDC17CP14, EDC17CP20, Magneti Mareli 4CV, MED9.5.10, ME71, ME711, ME75, ME7510, ME7520, MED7.1.1, MED7.5.11. Пакет данных содержит схемы электропроводки не всех этих типов блоков, но содержит много другой технической документции.

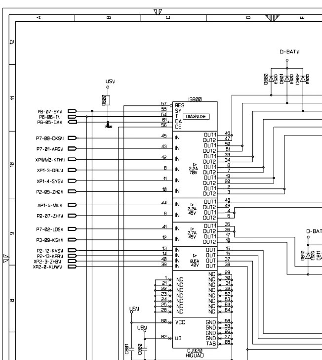
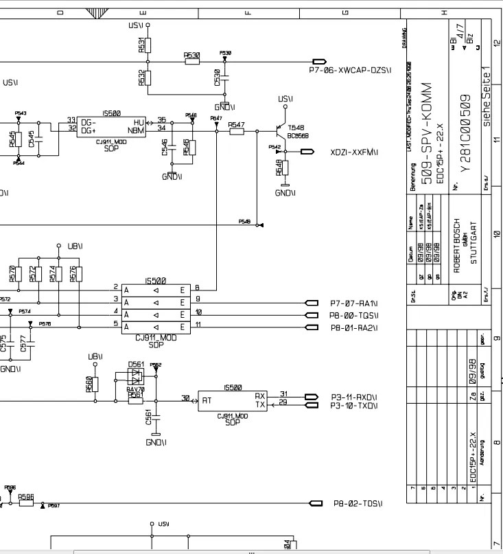
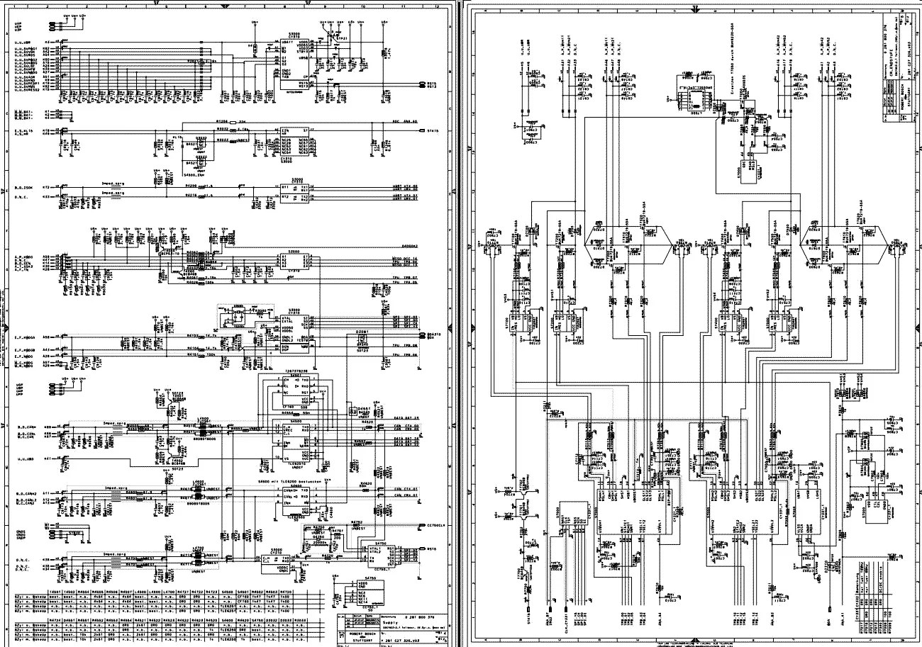
Скриншоны электросхем ЭБУ двигателя авто

Схемы и документация для Bosch EDC16C4:

Bosch EDC16U:

Bosch EDC16U V10TDi:

Bosch EDC16U31:

Bosch EDC17C44:

Bosch EDC17C46:

Bosch EDC17CP20:

Bosch EDC15 ECU:

Схемы для ME71, ME711, ME75, ME7510, ME7520, MED7.1.1, MED7.5.11 также есть в данной базе.